Специфікація
- Артикул RZ RV5.5-4
- Колір Жовтий
- Перетин клеми 4 мм²
- Країна-виробник товару Китай
- Тип товару Клема
- Перетин кабелю, мм2 06.апр
- Діаметр кабелю, мм 2.9-3.4
Для цього товару ще не було залишено жодного відгуку.
Якщо Ви бажаєте залишити відгук, авторизуйтеся, будь ласка, на сайті
АвторизуватисяЩо це
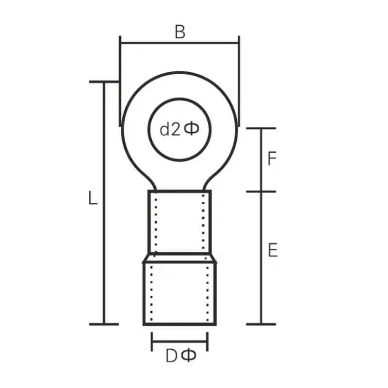
Клема кільце RZ RV5.5-4 жовтий — це електричний з'єднувач кільцевого типу, призначений для надійного підключення проводів до болтових з'єднань. Виготовлена з якісних матеріалів з ізоляційною оболонкою жовтого кольору, що забезпечує легку ідентифікацію в електричних схемах. Клема розрахована на кабелі перетином 4-6 мм² з діаметром 2,9-3,4 мм та має отвір під болт М5,5. Компактна конструкція гарантує міцне з'єднання та довготривалу експлуатацію в різних умовах.
Для чого використовується
Клема застосовується для підключення електричних кабелів до клемних колодок, автоматичних вимикачів, розподільних щитів та іншого електрообладнання. Ідеально підходить для монтажу в житлових та промислових електричних мережах, системах освітлення, силових установках. Використовується електриками при прокладанні проводки, ремонті електрообладнання та створенні надійних електричних з'єднань у щитах та розподільних коробках.
Головні переваги
- Надійне кільцеве з'єднання забезпечує стабільний електричний контакт
- Ізоляційна оболонка захищає від короткого замикання та ураження струмом
- Жовтий колір полегшує ідентифікацію в електричних схемах
- Підходить для кабелів діаметром 2,9-3,4 мм
- Простий монтаж без спеціальних інструментів
- Компактні розміри економлять місце в щитах
Особливості монтажу
Для встановлення клеми необхідно зачистити кінець кабелю, вставити його в клему та обтиснути спеціальними кліщами. Кільцева форма забезпечує рівномірний розподіл навантаження на болтове з'єднання, що підвищує надійність контакту.
Короткий висновок
Клема кільце RZ RV5.5-4 жовтий — практичне рішення для створення надійних електричних з'єднань. Поєднання якісних матеріалів, зручного кольорового маркування та простоти монтажу робить цю клему незамінним компонентом для професійних електромонтажних робіт та ремонту електрообладнання.
