Специфікація
- Артикул RZ RV5.5-3
- Колір Жовтий
- Перетин клеми 4-6
- Країна-виробник товару Китай
- Тип товару Клема
- Перетин кабелю, мм2 06.апр
- Діаметр кабелю, мм 2.9-3.4
-
ОлександрВідмінні клеми! Якість на висоті, щільно тримають дріт. Жовтий колір добре помітний при монтажі.
-
МаринаВикористовую для з'єднання проводів у розподільчій коробці. Клеми надійні, легко встановлюються. Єдиний мінус - колір швидко забруднюється, але це не критично. Рекомендую для домашнього використання.
-
ВікторБрав для ремонту проводки в гаражі. Переріз 4-6 мм² ідеально підходить для моїх потреб. Клеми міцні, контакт надійний. Доставка швидка, упаковка акуратна.
-
ТетянаКлеми нормальні, але очікувала кращої якості за таку ціну. Пластик трохи тонкий, але свою функцію виконують. Можливо, варто розглянути аналоги.
Що це
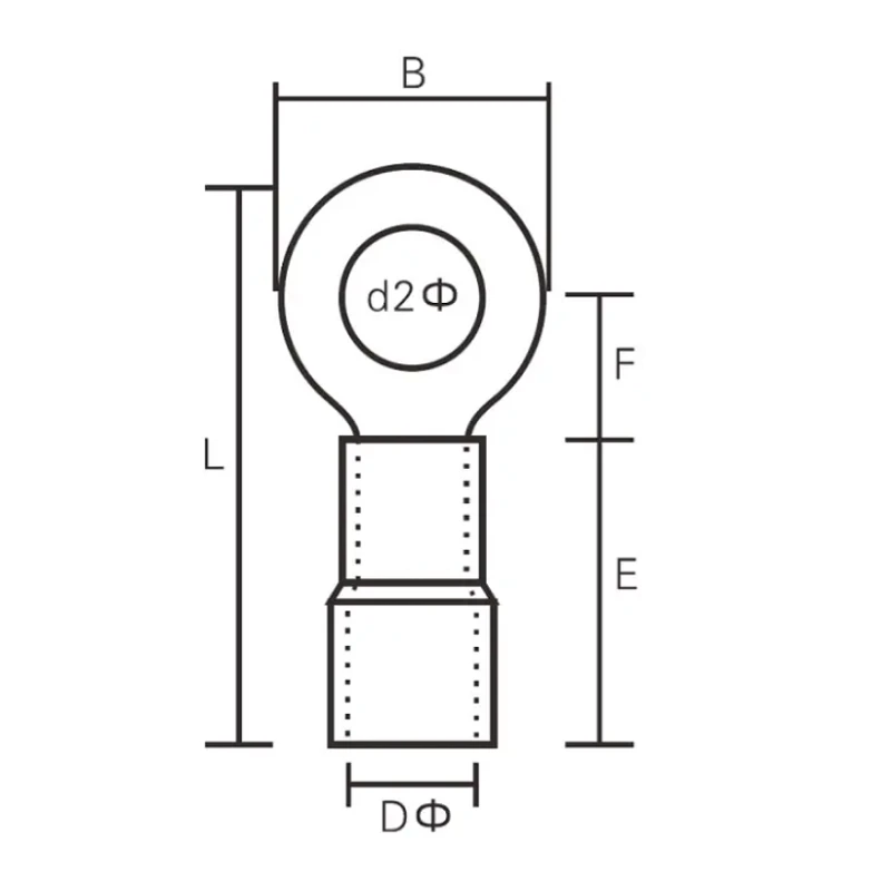
Клема кільце RZ RV5.5-3 Жовтий — це спеціалізований електротехнічний з'єднувач, призначений для надійного кріплення проводів до болтових з'єднань. Виготовлена з якісних матеріалів з жовтим ізоляційним покриттям, що забезпечує легку ідентифікацію у складних електричних схемах. Клема розрахована на переріз кабелю 4-6 мм² та діаметр 2.9-3.4 мм, що робить її універсальним рішенням для більшості стандартних електромонтажних робіт.
Для чого використовується
Клема кільце застосовується в електромонтажі для з'єднання проводів з болтовими контактами в розподільних щитах, електродвигунах, трансформаторах та іншому обладнанні. Особливо популярна серед електриків при монтажі систем освітлення, силових кіл та автоматики. Жовтий колір дозволяє швидко ідентифікувати з'єднання в складних електричних схемах, що підвищує безпеку та зручність обслуговування.
Головні переваги
- Надійне кільцеве з'єднання, що забезпечує стабільний контакт навіть при вібраціях
- Жовте ізоляційне покриття для швидкої ідентифікації в електросхемах
- Універсальність — підходить для кабелів перерізом 4-6 мм² та діаметром 2.9-3.4 мм
- Простий монтаж без спеціальних інструментів
- Високоякісні матеріали забезпечують тривалий термін експлуатації
- Компактні розміри дозволяють використовувати в обмеженому просторі
Особливості монтажу
Для встановлення клеми достатньо зачистити кабель, вставити його в клему та обтиснути спеціальним інструментом. Кільцева форма забезпечує рівномірний розподіл навантаження на болтовому з'єднанні, що запобігає послабленню контакту з часом.
Короткий висновок
Клема кільце RZ RV5.5-3 Жовтий — це професійне рішення для створення надійних електричних з'єднань. Поєднання якості, зручності та універсальності робить її незамінним компонентом для електромонтажних робіт будь-якої складності.
