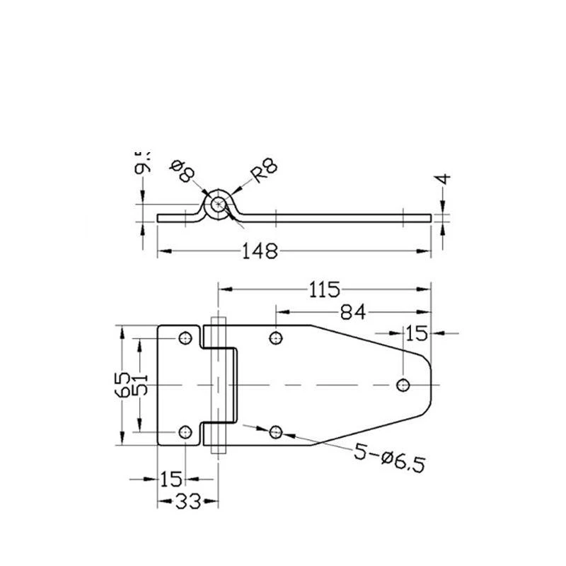
Завіса RZ 13126 для фургона Цинк
- Код DE-00063412
- Бренд RZ
Задати питанняdeks.ua
Стати партнеромdeks.ua
Наявність на складах deks.ua
| № | Назва/Адреса складу | Кількість |
|---|
Специфікація
- Артикул RZ 13126
- Тип завіси Плоска
- Використання завіси Для дверей вантажівки
- Матеріал Сталь
- Колір Цинк
- Країна-виробник товару Китай
- Матеріал корпуса Сталь
- Покриття Цинк
Шурупокрут-дриль акумуляторний Зеніт ЗША-12 Р2 Li 12В 2х1.3А·год 26Нм 400·1400об/хв 1кг
-
ВолодимирВідмінні завіси! Поставив на свій МАН, тримають двері ідеально. Цинкове покриття виглядає надійно, корозії не боюся.
-
ОксанаКупувала для чоловіка на вантажівку. Він каже, що якість хороша, монтаж простий. Єдиний мінус - доставка трохи затрималася, але товар того вартий. Рекомендую deks.ua за асортимент.
-
АндрійПрофесійно! Завіси RZ справді якісні, сталь міцна, обробка акуратна. Встановив за 20 хвилин, двері відчиняються плавно. За таку ціну - супер вибір для вантажного транспорту.
-
МиколаНормальний товар. Китайське виробництво, але якість непогана. Покриття рівномірне, кріплення надійне. Використовую вже півроку - поки що все ок.
Що це
Завіса RZ арт. RZ 13126 — це спеціалізована плоска петля, розроблена для надійного кріплення дверей вантажівок у алюмінієвому профілі. Виготовлена зі сталі з цинковим покриттям, що забезпечує високу стійкість до корозії та механічних навантажень. Плоска конструкція дозволяє компактно розмістити завісу в обмеженому просторі, зберігаючи функціональність і надійність з'єднання.
Для чого використовується
Завіса призначена для встановлення на двері вантажних автомобілів, фургонів та комерційного транспорту. Ідеально підходить для монтажу в алюмінієвих профільних системах, де потрібне міцне та довговічне з'єднання. Використовується в автомобільній промисловості, при ремонті та модернізації вантажного транспорту, а також при виготовленні спеціалізованих кузовів та напівпричепів.
Головні переваги
- Цинкове покриття забезпечує надійний захист від корозії та подовжує термін служби
- Сталевий корпус витримує значні механічні навантаження та постійну експлуатацію
- Плоска конструкція економить простір та забезпечує естетичний вигляд
- Спеціально адаптована для роботи з алюмінієвими профілями
- Простий монтаж та обслуговування
- Стійкість до впливу атмосферних умов та температурних перепадів
Особливості конструкції
Плоска форма завіси дозволяє встановлювати її в місцях з обмеженим простором, не порушуючи загального дизайну транспортного засобу. Матеріал та покриття підібрані спеціально для роботи в умовах постійних навантажень та впливу зовнішніх факторів.
Короткий висновок
Завіса RZ 13126 — це надійне рішення для кріплення дверей вантажівок, що поєднує міцність сталевої конструкції з довговічністю цинкового покриття. Спеціалізований дизайн для алюмінієвих профілів робить її оптимальним вибором для професійного використання у вантажному транспорті.
- Артикул
- Використання завіси
- Колір
- Країна-виробник товару
- Кут відкривання завіси
- Матеріал
- Матеріал корпуса
- Міжцентрова відстань
- Покриття
- Тип відкривання завіси
- Тип завіси
-
АртикулRZ 13126
-
Використання завісиДля дверей вантажівки
-
КолірЦинк
-
Країна-виробник товаруКитай
-
Кут відкривання завіси
-
МатеріалСталь
-
Матеріал корпусаСталь
-
Міжцентрова відстань
-
ПокриттяЦинк
-
Тип відкривання завіси
-
Тип завісиПлоска
-
АртикулRZ 424-V3
-
Використання завіси
-
КолірХром
-
Країна-виробник товаруКитай
-
Кут відкривання завіси180
-
МатеріалСталь
-
Матеріал корпусаСталь
-
Міжцентрова відстань
-
ПокриттяХром глянець
-
Тип відкривання завіси
-
Тип завісиПлоска
-
АртикулRZ 13111
-
Використання завісиДля дверей вантажівки
-
КолірЦинк
-
Країна-виробник товаруКитай
-
Кут відкривання завіси
-
МатеріалСталь
-
Матеріал корпусаСталь
-
Міжцентрова відстань
-
ПокриттяЦинкове
-
Тип відкривання завіси
-
Тип завісиНакладна
-
АртикулRZ 13114S
-
Використання завісиДля дверей вантажівки
-
КолірЦинк
-
Країна-виробник товаруКитай
-
Кут відкривання завіси
-
МатеріалСталь
-
Матеріал корпусаСталь
-
Міжцентрова відстань
-
ПокриттяЦинк
-
Тип відкривання завіси
-
Тип завісиНакладна
-
АртикулRZ 13126S
-
Використання завісиДля профільних дверей
-
КолірМеталік
-
Країна-виробник товаруКитай
-
Кут відкривання завіси
-
МатеріалСталь
-
Матеріал корпусаСталь
-
Міжцентрова відстань
-
ПокриттяМеталік
-
Тип відкривання завіси
-
Тип завісиПлоска
-
АртикулRZ 13134
-
Використання завісиДля дверей вантажівки
-
КолірСталь
-
Країна-виробник товаруКитай
-
Кут відкривання завіси
-
МатеріалСталь
-
Матеріал корпусаСталь
-
Міжцентрова відстань
-
Покриття
-
Тип відкривання завіси
-
Тип завісиПлоска
-
АртикулRZ 13134S
-
Використання завісиДля дверей вантажівки
-
КолірСталь
-
Країна-виробник товаруКитай
-
Кут відкривання завіси
-
МатеріалСталь
-
Матеріал корпусаСталь
-
Міжцентрова відстань
-
ПокриттяХром глянець
-
Тип відкривання завіси
-
Тип завісиПлоска
-
АртикулRZ 13184
-
Використання завісиДля дверей вантажівки
-
КолірЦинк
-
Країна-виробник товаруКитай
-
Кут відкривання завіси
-
МатеріалСталь
-
Матеріал корпусаСталь
-
Міжцентрова відстань
-
ПокриттяЦинк
-
Тип відкривання завіси
-
Тип завісиПриварна
-
АртикулRZ H5054.SS.0.1
-
Використання завісиДля металевих дверей
-
КолірМеталік
-
Країна-виробник товаруКитай
-
Кут відкривання завіси
-
МатеріалСталь
-
Матеріал корпусаСталь
-
Міжцентрова відстань
-
ПокриттяМеталік
-
Тип відкривання завіси
-
Тип завісиПлоска
-
АртикулRZ H5065.SS.0.1
-
Використання завісиДля шаф електротехнічних
-
КолірМеталік
-
Країна-виробник товаруКитай
-
Кут відкривання завіси
-
МатеріалСталь
-
Матеріал корпусаСталь
-
Міжцентрова відстань
-
ПокриттяМеталік
-
Тип відкривання завіси
-
Тип завісиПлоска
-
АртикулRZ H5075.SS.0.1
-
Використання завіси
-
КолірМеталік
-
Країна-виробник товаруКитай
-
Кут відкривання завіси
-
МатеріалСталь
-
Матеріал корпусаСталь
-
Міжцентрова відстань
-
ПокриттяМеталік
-
Тип відкривання завіси
-
Тип завісиПлоска
-
АртикулRZ H7575.SS.0.1
-
Використання завісиДля металевих дверей
-
КолірМеталік
-
Країна-виробник товаруКитай
-
Кут відкривання завіси
-
МатеріалСталь
-
Матеріал корпусаСталь
-
Міжцентрова відстань
-
ПокриттяМеталік
-
Тип відкривання завіси
-
Тип завісиПлоска
-
АртикулRZ H65155.SS.0
-
Використання завісиДля шаф електротехнічних
-
КолірМеталік
-
Країна-виробник товаруКитай
-
Кут відкривання завіси
-
МатеріалСталь
-
Матеріал корпусаСталь
-
Міжцентрова відстань
-
ПокриттяМеталік
-
Тип відкривання завіси
-
Тип завісиПлоска
-
АртикулRZ H90102.SS.0.1
-
Використання завісиДля шаф електротехнічних
-
КолірМеталік
-
Країна-виробник товаруКитай
-
Кут відкривання завіси180
-
МатеріалСталь
-
Матеріал корпусаСталь
-
Міжцентрова відстань
-
ПокриттяМеталік
-
Тип відкривання завіси
-
Тип завісиПлоска
-
АртикулRZ H49105.SS.0
-
Використання завісиДля металевих дверей
-
КолірМеталік
-
Країна-виробник товаруКитай
-
Кут відкривання завіси
-
МатеріалСталь
-
Матеріал корпусаСталь
-
Міжцентрова відстань
-
ПокриттяМеталік
-
Тип відкривання завіси
-
Тип завісиПлоска
-
Артикулproduct-21365
-
Використання завіси
-
Колір
-
Країна-виробник товару
-
Кут відкривання завіси
-
МатеріалВуглецева сталь, Нержаві...
-
Матеріал корпусаВуглецева сталь, Нержаві...
-
Міжцентрова відстань992
-
Покриття
-
Тип відкривання завісиправа
-
Тип завісиПлоска
-
Артикулproduct-21376
-
Використання завіси
-
Колір
-
Країна-виробник товару
-
Кут відкривання завіси
-
МатеріалВуглецева сталь, Нержаві...
-
Матеріал корпусаВуглецева сталь, Нержаві...
-
Міжцентрова відстань992
-
Покриття
-
Тип відкривання завісиліва
-
Тип завісиПлоска
Прихована Петля «Essentra - Mesan» №395 (Матеріал: Сталь, Покриття: Цинк, Версія: V4)
-
Артикул6008
-
Використання завіси
-
КолірЦинк
-
Країна-виробник товару
-
Кут відкривання завіси
-
МатеріалСталь
-
Матеріал корпусаСталь
-
Міжцентрова відстань
-
ПокриттяЦинк
-
Тип відкривання завіси
-
Тип завісиПрихована
Прихована Петля «Essentra - Mesan» №395 (Матеріал: Сталь, Покриття: Цинк, Версія: V2)
-
Артикул6004
-
Використання завіси
-
КолірЦинк
-
Країна-виробник товару
-
Кут відкривання завіси
-
МатеріалСталь
-
Матеріал корпусаСталь
-
Міжцентрова відстань
-
ПокриттяЦинк
-
Тип відкривання завіси
-
Тип завісиПрихована
Прихована Петля «Essentra - Mesan» №395 (Матеріал: Сталь, Покриття: Цинк, Версія: V1)
-
Артикул6002
-
Використання завіси
-
КолірЦинк
-
Країна-виробник товару
-
Кут відкривання завіси
-
МатеріалСталь
-
Матеріал корпусаСталь
-
Міжцентрова відстань
-
ПокриттяЦинк
-
Тип відкривання завіси
-
Тип завісиПрихована
Прихована Петля «Essentra - Mesan» №395 (Матеріал: Сталь, Покриття: Цинк, Версія: V3)
-
Артикул6006
-
Використання завіси
-
КолірЦинк
-
Країна-виробник товару
-
Кут відкривання завіси
-
МатеріалСталь
-
Матеріал корпусаСталь
-
Міжцентрова відстань
-
ПокриттяЦинк
-
Тип відкривання завіси
-
Тип завісиПрихована
-
Артикул627
-
Використання завіси
-
КолірЦинк
-
Країна-виробник товару
-
Кут відкривання завіси
-
МатеріалСталь
-
Матеріал корпусаСталь C45, загартована
-
Міжцентрова відстань
-
ПокриттяЦинк
-
Тип відкривання завіси
-
Тип завісиБічна петля
-
Артикул626
-
Використання завіси
-
КолірЦинк
-
Країна-виробник товару
-
Кут відкривання завіси
-
МатеріалСталь
-
Матеріал корпусаСталь
-
Міжцентрова відстань
-
ПокриттяЦинк
-
Тип відкривання завіси
-
Тип завісиБічна
Приховані петлі «Essentra - Mesan» №995 (Матеріал: Сталь, Покриття корпусу: Цинк, Версія: V3, Варіан
-
Артикул6030
-
Використання завіси
-
Колір
-
Країна-виробник товару
-
Кут відкривання завіси
-
МатеріалСталь
-
Матеріал корпусаСталь
-
Міжцентрова відстань
-
ПокриттяЦинк
-
Тип відкривання завіси
-
Тип завісиПрихована
-
Артикул5194
-
Використання завіси
-
Колір
-
Країна-виробник товару
-
Кут відкривання завіси
-
Матеріал
-
Матеріал корпуса
-
Міжцентрова відстань
-
Покриття
-
Тип відкривання завіси
-
Тип завісиПлоска
-
Артикул5198
-
Використання завіси
-
Колір
-
Країна-виробник товару
-
Кут відкривання завіси
-
Матеріал
-
Матеріал корпуса
-
Міжцентрова відстань
-
Покриття
-
Тип відкривання завіси
-
Тип завісиПлоска
Приховані петлі «Essentra - Mesan» №995 (Матеріал: Сталь, Покриття корпусу: Цинк, Версія: V2, Варіан
-
Артикул9130
-
Використання завіси
-
Колір
-
Країна-виробник товару
-
Кут відкривання завіси
-
МатеріалСталь
-
Матеріал корпусаСталь
-
Міжцентрова відстань
-
ПокриттяЦинк
-
Тип відкривання завіси
-
Тип завісиПрихована
Прихована петля «Essentra - Mesan» №195 (Версія: V2, Матеріал корпусу: Сталь, Покриття корпусу: Цинк
-
Артикул6063
-
Використання завіси
-
Колір
-
Країна-виробник товару
-
Кут відкривання завіси
-
МатеріалСталь
-
Матеріал корпусаСталь
-
Міжцентрова відстань
-
ПокриттяЦинк
-
Тип відкривання завіси
-
Тип завісиПрихована
Прихована петля «Essentra - Mesan» №096 (Матеріал: Zamak, Покриття: Цинк)
-
Артикул5999
-
Використання завіси
-
КолірЦинк
-
Країна-виробник товару
-
Кут відкривання завіси
-
МатеріалZamak
-
Матеріал корпусаZamak DIN-EN 1774-ZnAl4C...
-
Міжцентрова відстань
-
ПокриттяЦинк
-
Тип відкривання завіси
-
Тип завісиПрихована
Прихована Петля «Essentra - Mesan» №295 (Версія: V2, Матеріал: Сталь, Покриття: Цинк)
-
Артикул6049
-
Використання завіси
-
КолірЦинк
-
Країна-виробник товару
-
Кут відкривання завіси
-
МатеріалСталь
-
Матеріал корпусаСталь
-
Міжцентрова відстань
-
ПокриттяЦинк
-
Тип відкривання завіси
-
Тип завісиПрихована
Прихована петля «Essentra - Mesan» №095 (Матеріал: Сталь, Покриття: Цинк, Версія: V2, Варіант: отвір
-
Артикул8813
-
Використання завіси
-
КолірЦинк
-
Країна-виробник товару
-
Кут відкривання завіси
-
МатеріалСталь
-
Матеріал корпусаСталь
-
Міжцентрова відстань
-
ПокриттяЦинк
-
Тип відкривання завіси
-
Тип завісиПрихована
Прихована Петля «Essentra - Mesan» №295 (Версія: V4, Матеріал: Сталь, Покриття: Цинк)
-
Артикул9033
-
Використання завіси
-
КолірЦинк
-
Країна-виробник товару
-
Кут відкривання завіси
-
МатеріалСталь
-
Матеріал корпусаСталь
-
Міжцентрова відстань
-
ПокриттяЦинк
-
Тип відкривання завіси
-
Тип завісиПрихована
Прихована Петля «Essentra - Mesan» №295 (Версія: V3, Матеріал: Сталь, Покриття: Цинк)
-
Артикул9031
-
Використання завіси
-
КолірЦинк
-
Країна-виробник товару
-
Кут відкривання завіси
-
МатеріалСталь
-
Матеріал корпусаСталь
-
Міжцентрова відстань
-
ПокриттяЦинк
-
Тип відкривання завіси
-
Тип завісиПрихована
Прихована Петля «Essentra - Mesan» №295 (Версія: V1, Матеріал: Сталь, Покриття: Цинк)
-
Артикул9029
-
Використання завіси
-
КолірЦинк
-
Країна-виробник товару
-
Кут відкривання завіси
-
МатеріалСталь
-
Матеріал корпусаСталь
-
Міжцентрова відстань
-
ПокриттяЦинк
-
Тип відкривання завіси
-
Тип завісиПрихована
-
Артикул174
-
Використання завіси
-
КолірЦинк
-
Країна-виробник товару
-
Кут відкривання завіси
-
МатеріалСталь
-
Матеріал корпусаСталь
-
Міжцентрова відстань
-
ПокриттяЦинк
-
Тип відкривання завіси
-
Тип завісиПрихована
Прихована Петля «Essentra - Mesan» №695 (Матеріал: Сталь, Покриття: Цинк, Версія: V1)
-
Артикул6010
-
Використання завіси
-
КолірЦинк
-
Країна-виробник товару
-
Кут відкривання завіси
-
МатеріалСталь
-
Матеріал корпусаСталь
-
Міжцентрова відстань
-
ПокриттяЦинк
-
Тип відкривання завіси
-
Тип завісиПрихована
Прихована петля «Essentra - Mesan» №094 (Матеріал: Zamak, Покриття: Цинк)
-
Артикул5831
-
Використання завіси
-
КолірЦинк
-
Країна-виробник товару
-
Кут відкривання завіси
-
МатеріалZamak
-
Матеріал корпусаZamak DIN-EN 1774-ZnAl4C...
-
Міжцентрова відстань
-
ПокриттяЦинк
-
Тип відкривання завіси
-
Тип завісиПрихована
Прихована Петля «Essentra - Mesan» №289 (Версія: V1, Матеріал корпусу: Сталь, Покриття: Цинк, Направ
-
Артикул6127
-
Використання завіси
-
Колір
-
Країна-виробник товару
-
Кут відкривання завіси
-
МатеріалСталь
-
Матеріал корпусаСталь
-
Міжцентрова відстань
-
ПокриттяЦинк
-
Тип відкривання завіси
-
Тип завісиПрихована
Прихована Петля «Essentra - Mesan» №289 (Версія: V1, Матеріал корпусу: Сталь, Покриття: Цинк, Направ
-
Артикул6125
-
Використання завіси
-
Колір
-
Країна-виробник товару
-
Кут відкривання завіси
-
МатеріалСталь
-
Матеріал корпусаСталь
-
Міжцентрова відстань
-
ПокриттяЦинк
-
Тип відкривання завіси
-
Тип завісиПрихована
Прихована Петля «Essentra - Mesan» №289 (Версія: V2, Матеріал корпусу: Сталь, Покриття: Цинк, Направ
-
Артикул6222
-
Використання завіси
-
Колір
-
Країна-виробник товару
-
Кут відкривання завіси
-
МатеріалСталь
-
Матеріал корпусаСталь
-
Міжцентрова відстань
-
ПокриттяЦинк
-
Тип відкривання завіси
-
Тип завісиПрихована
Прихована Петля «Essentra - Mesan» №289 (Версія: V2, Матеріал корпусу: Сталь, Покриття: Цинк, Направ
-
Артикул19724
-
Використання завіси
-
Колір
-
Країна-виробник товару
-
Кут відкривання завіси
-
МатеріалСталь
-
Матеріал корпусаСталь
-
Міжцентрова відстань
-
ПокриттяЦинк
-
Тип відкривання завіси
-
Тип завісиПрихована
Прихована петля «Essentra - Mesan» №095 (Матеріал: Сталь, Покриття: Цинк, Версія: V1, Варіант: шпиль
-
Артикул8811
-
Використання завіси
-
КолірЦинк
-
Країна-виробник товару
-
Кут відкривання завіси
-
МатеріалСталь
-
Матеріал корпусаСталь
-
Міжцентрова відстань
-
ПокриттяЦинк
-
Тип відкривання завіси
-
Тип завісиПрихована
Прихована петля «Essentra - Mesan» №095 (Матеріал: Сталь, Покриття: Цинк, Версія: V1, Варіант: отвір
-
Артикул8809
-
Використання завіси
-
КолірЦинк
-
Країна-виробник товару
-
Кут відкривання завіси
-
МатеріалСталь
-
Матеріал корпусаСталь
-
Міжцентрова відстань
-
ПокриттяЦинк
-
Тип відкривання завіси
-
Тип завісиПрихована
Прихована петля «Essentra - Mesan» №095 (Матеріал: Сталь, Покриття: Цинк, Версія: V3, Варіант: шпиль
-
Артикул9745
-
Використання завіси
-
КолірЦинк
-
Країна-виробник товару
-
Кут відкривання завіси
-
МатеріалСталь
-
Матеріал корпусаСталь
-
Міжцентрова відстань
-
ПокриттяЦинк
-
Тип відкривання завіси
-
Тип завісиПрихована
Прихована петля «Essentra - Mesan» №095 (Матеріал: Сталь, Покриття: Цинк, Версія: V3, Варіант: отвір
-
Артикул9743
-
Використання завіси
-
КолірЦинк
-
Країна-виробник товару
-
Кут відкривання завіси
-
МатеріалСталь
-
Матеріал корпусаСталь
-
Міжцентрова відстань
-
ПокриттяЦинк
-
Тип відкривання завіси
-
Тип завісиПрихована
Прихована петля «Essentra - Mesan» №095 (Матеріал: Сталь, Покриття: Цинк, Версія: V2, Варіант: шпиль
-
Артикул9741
-
Використання завіси
-
КолірЦинк
-
Країна-виробник товару
-
Кут відкривання завіси
-
МатеріалСталь
-
Матеріал корпусаСталь
-
Міжцентрова відстань
-
ПокриттяЦинк
-
Тип відкривання завіси
-
Тип завісиПрихована
Прихована петля «Essentra - Mesan» №195 (Версія: V4, Матеріал корпусу: Сталь, Покриття корпусу: Цинк
-
Артикул6067
-
Використання завіси
-
Колір
-
Країна-виробник товару
-
Кут відкривання завіси
-
МатеріалСталь
-
Матеріал корпусаСталь
-
Міжцентрова відстань
-
ПокриттяЦинк
-
Тип відкривання завіси
-
Тип завісиПрихована
Прихована петля «Essentra - Mesan» №195 (Версія: V3, Матеріал корпусу: Сталь, Покриття корпусу: Цинк
-
Артикул6065
-
Використання завіси
-
Колір
-
Країна-виробник товару
-
Кут відкривання завіси
-
МатеріалСталь
-
Матеріал корпусаСталь
-
Міжцентрова відстань
-
ПокриттяЦинк
-
Тип відкривання завіси
-
Тип завісиПрихована
Плоска петля «Essentra - Mesan» №799 V1, V2, V3 (Покриття: Цинк, Версія: V2)
-
Артикул6420
-
Використання завіси
-
КолірЦинк
-
Країна-виробник товару
-
Кут відкривання завіси
-
Матеріал
-
Матеріал корпуса
-
Міжцентрова відстань
-
ПокриттяЦинк
-
Тип відкривання завіси
-
Тип завісиПлоска
Плоска петля «Essentra - Mesan» №799 V1, V2, V3 (Покриття: Цинк, Версія: V1)
-
Артикул6418
-
Використання завіси
-
КолірЦинк
-
Країна-виробник товару
-
Кут відкривання завіси
-
Матеріал
-
Матеріал корпуса
-
Міжцентрова відстань
-
ПокриттяЦинк
-
Тип відкривання завіси
-
Тип завісиПлоска
Петля плоска «Essentra – Mesan» № 100 (Матеріал: Zamak, Покриття: Чорне покриття, Висота: 25)
-
Артикул9692
-
Використання завіси
-
КолірЧорний
-
Країна-виробник товару
-
Кут відкривання завіси
-
МатеріалZamak
-
Матеріал корпусаZamak DIN-EN 1774-ZnAl4C...
-
Міжцентрова відстань25
-
ПокриттяЧорне покриття
-
Тип відкривання завіси
-
Тип завісиПлоска
Петля плоска «Essentra – Mesan» № 100 (Матеріал: Zamak, Покриття: Чорне покриття, Висота: 02)
-
Артикул9684
-
Використання завіси
-
КолірЧорний
-
Країна-виробник товару
-
Кут відкривання завіси
-
МатеріалZamak
-
Матеріал корпусаZamak DIN-EN 1774-ZnAl4C...
-
Міжцентрова відстань02
-
ПокриттяЧорне покриття
-
Тип відкривання завіси
-
Тип завісиПлоска
Петля плоска «Essentra – Mesan» № 100 (Матеріал: Zamak, Покриття: Чорне покриття, Висота: 05)
-
Артикул9686
-
Використання завіси
-
КолірЧорний
-
Країна-виробник товару
-
Кут відкривання завіси
-
МатеріалZamak
-
Матеріал корпусаZamak DIN-EN 1774-ZnAl4C...
-
Міжцентрова відстань05
-
ПокриттяЧорне покриття
-
Тип відкривання завіси
-
Тип завісиПлоска
Петля плоска «Essentra – Mesan» № 100 (Матеріал: Zamak, Покриття: Чорне покриття, Висота: 07)
-
Артикул9687
-
Використання завіси
-
КолірЧорний
-
Країна-виробник товару
-
Кут відкривання завіси
-
МатеріалZamak
-
Матеріал корпусаZamak DIN-EN 1774-ZnAl4C...
-
Міжцентрова відстань07
-
ПокриттяЧорне покриття
-
Тип відкривання завіси
-
Тип завісиПлоска


