Завіса RZ 406-1 шарнірна бічна Нікель
- Код DE-00059042
- Бренд RZ
Специфікація
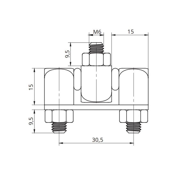
- Артикул RZ 406-1
- Тип завіси Бічна
- Використання завіси Для шаф електротехнічних
- Кут відкривання завіси 180
- Матеріал Сталь
- Колір Нікель
- Країна-виробник товару Китай
- Матеріал корпуса Сталь
- Покриття Нікель брашований
Для цього товару ще не було залишено жодного відгуку.
Якщо Ви бажаєте залишити відгук, авторизуйтеся, будь ласка, на сайті
АвторизуватисяЩо це
Завіса RZ арт. RZ 406-1 — це накладна бічна петля з нікелевим покриттям, призначена для монтажу дверцят електротехнічних шаф. Виготовлена зі сталі з міцним захисним покриттям, забезпечує надійне кріплення та плавне відкривання на 180 градусів. Модель поставляється без дотягувача в алюмінієвому профілі, що дозволяє інтегрувати її в різні конструкції електротехнічного обладнання.
Для чого використовується
Завіса призначена для установки на дверцята електротехнічних шаф, розподільчих щитів та корпусів електрообладнання. Ідеально підходить для промислових об'єктів, офісних приміщень, житлових будинків, де потрібен надійний доступ до електричних компонентів. Використовується електромонтажниками, інженерами та технічними спеціалістами для обслуговування електроустановок.
Головні переваги
- Повний кут відкривання 180° забезпечує максимальний доступ до внутрішніх компонентів
- Нікелеве покриття гарантує стійкість до корозії та тривалий термін служби
- Сталевий корпус витримує інтенсивне використання в промислових умовах
- Накладний тип монтажу спрощує установку без складного фрезерування
- Відсутність дотягувача дозволяє гнучко налаштовувати механізм закривання
Особливості конструкції
Бічне розташування петлі забезпечує оптимальний розподіл навантаження на дверцята. Алюмінієвий профіль додає конструкції легкості без втрати міцності, а якісна сталь корпуса гарантує довговічність навіть при частому використанні.
Короткий висновок
Завіса RZ 406-1 — надійний вибір для професійного монтажу електротехнічних шаф. Поєднання якісних матеріалів, продуманої конструкції та функціональності робить її оптимальним рішенням для забезпечення зручного доступу до електрообладнання з гарантією тривалої експлуатації.


