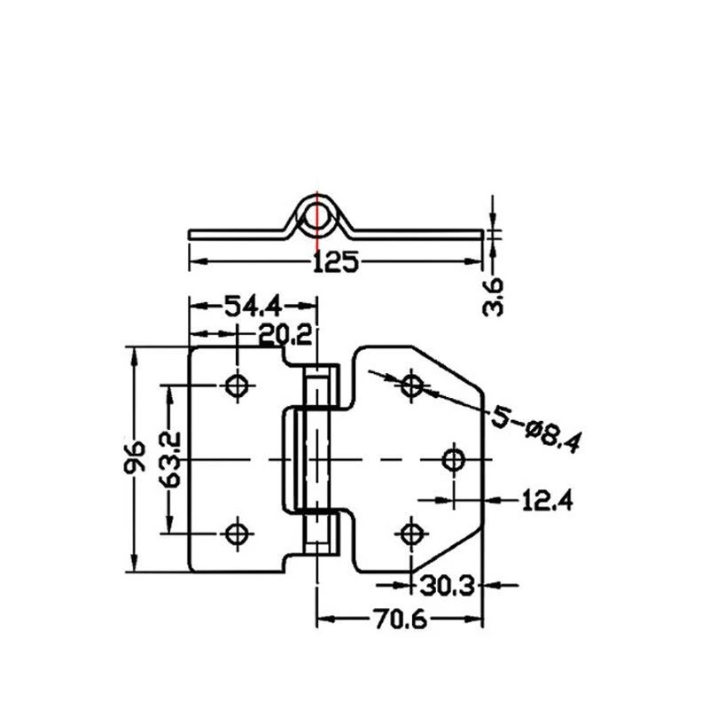
Завіса RZ 13134 для фургона Сталь
- Код DE-00063420
- Бренд RZ
Задати питанняdeks.ua
Стати партнеромdeks.ua
Наявність на складах deks.ua
| № | Назва/Адреса складу | Кількість |
|---|
Специфікація
- Артикул RZ 13134
- Тип завіси Плоска
- Використання завіси Для дверей вантажівки
- Матеріал Сталь
- Колір Сталь
- Країна-виробник товару Китай
- Матеріал корпуса Сталь
Шурупокрут-дриль ударний акумуляторний Tekhmann TCD-60/i20 kit 20В 1x2А·год 60Нм 440·1650об/хв 1.55к
Шурупокрут-дриль ударний акумуляторний SKIL 3021 CA 20В безщітковий 55Нм 450·1700об/хв 0.92кг без АК
Гайковерт ударний акумуляторний Ryobi ONE+ HP RIW18C-0 18В 2800об/хв 450Нм 1/2" 4 швидкості 1.2кг бе
Гайковерт ударний акумуляторний Ryobi ONE+ R18IW3-0 18В 2900об/хв 400Нм 1/2" 3 швидкості 1.6кг без А
Дриль-шурупокрут DeWalt XR Li-Ion 18В акб 2х2А·год 65Нм 500-1750об/хв патрон 13мм кейс 1.15кг
Для цього товару ще не було залишено жодного відгуку.
Якщо Ви бажаєте залишити відгук, авторизуйтеся, будь ласка, на сайті
АвторизуватисяЩо це
Завіса RZ арт. RZ 13134 — це спеціалізована плоска петля зі сталі, призначена для установки в алюмінієвий профіль дверей фургонів та вантажівок. Виготовлена з міцної сталі, завіса забезпечує надійне кріплення та довготривалу роботу дверних конструкцій комерційного транспорту. Плоска конструкція дозволяє компактно розмістити петлю в профілі, не порушуючи естетику та функціональність дверей фургона.
Для чого використовується
Завіса призначена для установки на двері фургонів, вантажівок та іншого комерційного транспорту. Використовується в алюмінієвих профільних системах дверей, забезпечуючи їх плавне відкривання та закривання. Ідеально підходить для ремонту та модернізації існуючих дверних конструкцій, а також для нового обладнання транспортних засобів. Застосовується в автосервісах, на підприємствах з виробництва та ремонту комерційного транспорту.
Головні переваги
- Міцна сталева конструкція витримує інтенсивні навантаження та частне використання
- Плоска форма забезпечує компактне розміщення в алюмінієвому профілі
- Спеціальне призначення для дверей фургонів гарантує оптимальну функціональність
- Довготривала експлуатація завдяки якісним матеріалам
- Простота установки в існуючі профільні системи
Особливості конструкції
Плоска форма завіси дозволяє встановлювати її заподлібно з поверхнею профілю, що забезпечує естетичний вигляд та захищає механізм від пошкоджень. Сталева конструкція забезпечує стійкість до корозії та механічних впливів, характерних для експлуатації комерційного транспорту.
Короткий висновок
Завіса RZ 13134 — надійне рішення для дверей фургонів, що поєднує міцність сталевої конструкції з компактністю плоскої форми. Спеціалізоване призначення та якісні матеріали роблять цю петлю оптимальним вибором для професійного ремонту та обладнання комерційного транспорту.
- Артикул
- Використання завіси
- Колір
- Країна-виробник товару
- Кут відкривання завіси
- Матеріал
- Матеріал корпуса
- Міжцентрова відстань
- Покриття
- Тип відкривання завіси
- Тип завіси
-
АртикулRZ 13134
-
Використання завісиДля дверей вантажівки
-
КолірСталь
-
Країна-виробник товаруКитай
-
Кут відкривання завіси
-
МатеріалСталь
-
Матеріал корпусаСталь
-
Міжцентрова відстань
-
Покриття
-
Тип відкривання завіси
-
Тип завісиПлоска
-
АртикулRZ 424-V3
-
Використання завіси
-
КолірХром
-
Країна-виробник товаруКитай
-
Кут відкривання завіси180
-
МатеріалСталь
-
Матеріал корпусаСталь
-
Міжцентрова відстань
-
ПокриттяХром глянець
-
Тип відкривання завіси
-
Тип завісиПлоска
-
АртикулRZ 13111S
-
Використання завісиДля дверей вантажівки
-
КолірСталь
-
Країна-виробник товаруКитай
-
Кут відкривання завіси
-
МатеріалСталь
-
Матеріал корпусаСталь
-
Міжцентрова відстань
-
Покриття
-
Тип відкривання завіси
-
Тип завісиНакладна
-
АртикулRZ 13119S
-
Використання завісиДля дверей вантажівки
-
КолірСталь
-
Країна-виробник товаруКитай
-
Кут відкривання завіси
-
МатеріалСталь
-
Матеріал корпусаСталь
-
Міжцентрова відстань
-
Покриття
-
Тип відкривання завіси
-
Тип завісиНакладна
-
АртикулRZ 13126
-
Використання завісиДля дверей вантажівки
-
КолірЦинк
-
Країна-виробник товаруКитай
-
Кут відкривання завіси
-
МатеріалСталь
-
Матеріал корпусаСталь
-
Міжцентрова відстань
-
ПокриттяЦинк
-
Тип відкривання завіси
-
Тип завісиПлоска
-
АртикулRZ 13126S
-
Використання завісиДля профільних дверей
-
КолірМеталік
-
Країна-виробник товаруКитай
-
Кут відкривання завіси
-
МатеріалСталь
-
Матеріал корпусаСталь
-
Міжцентрова відстань
-
ПокриттяМеталік
-
Тип відкривання завіси
-
Тип завісиПлоска
-
АртикулRZ 13134S
-
Використання завісиДля дверей вантажівки
-
КолірСталь
-
Країна-виробник товаруКитай
-
Кут відкривання завіси
-
МатеріалСталь
-
Матеріал корпусаСталь
-
Міжцентрова відстань
-
ПокриттяХром глянець
-
Тип відкривання завіси
-
Тип завісиПлоска
-
АртикулRZ H5054.SS.0.1
-
Використання завісиДля металевих дверей
-
КолірМеталік
-
Країна-виробник товаруКитай
-
Кут відкривання завіси
-
МатеріалСталь
-
Матеріал корпусаСталь
-
Міжцентрова відстань
-
ПокриттяМеталік
-
Тип відкривання завіси
-
Тип завісиПлоска
-
АртикулRZ H5065.SS.0.1
-
Використання завісиДля шаф електротехнічних
-
КолірМеталік
-
Країна-виробник товаруКитай
-
Кут відкривання завіси
-
МатеріалСталь
-
Матеріал корпусаСталь
-
Міжцентрова відстань
-
ПокриттяМеталік
-
Тип відкривання завіси
-
Тип завісиПлоска
-
АртикулRZ H5075.SS.0.1
-
Використання завіси
-
КолірМеталік
-
Країна-виробник товаруКитай
-
Кут відкривання завіси
-
МатеріалСталь
-
Матеріал корпусаСталь
-
Міжцентрова відстань
-
ПокриттяМеталік
-
Тип відкривання завіси
-
Тип завісиПлоска
-
АртикулRZ H7575.SS.0.1
-
Використання завісиДля металевих дверей
-
КолірМеталік
-
Країна-виробник товаруКитай
-
Кут відкривання завіси
-
МатеріалСталь
-
Матеріал корпусаСталь
-
Міжцентрова відстань
-
ПокриттяМеталік
-
Тип відкривання завіси
-
Тип завісиПлоска
-
АртикулRZ H65155.SS.0
-
Використання завісиДля шаф електротехнічних
-
КолірМеталік
-
Країна-виробник товаруКитай
-
Кут відкривання завіси
-
МатеріалСталь
-
Матеріал корпусаСталь
-
Міжцентрова відстань
-
ПокриттяМеталік
-
Тип відкривання завіси
-
Тип завісиПлоска
-
АртикулRZ H90102.SS.0.1
-
Використання завісиДля шаф електротехнічних
-
КолірМеталік
-
Країна-виробник товаруКитай
-
Кут відкривання завіси180
-
МатеріалСталь
-
Матеріал корпусаСталь
-
Міжцентрова відстань
-
ПокриттяМеталік
-
Тип відкривання завіси
-
Тип завісиПлоска
-
АртикулRZ H49105.SS.0
-
Використання завісиДля металевих дверей
-
КолірМеталік
-
Країна-виробник товаруКитай
-
Кут відкривання завіси
-
МатеріалСталь
-
Матеріал корпусаСталь
-
Міжцентрова відстань
-
ПокриттяМеталік
-
Тип відкривання завіси
-
Тип завісиПлоска
-
Артикулproduct-21365
-
Використання завіси
-
Колір
-
Країна-виробник товару
-
Кут відкривання завіси
-
МатеріалВуглецева сталь, Нержаві...
-
Матеріал корпусаВуглецева сталь, Нержаві...
-
Міжцентрова відстань992
-
Покриття
-
Тип відкривання завісиправа
-
Тип завісиПлоска
-
Артикулproduct-21376
-
Використання завіси
-
Колір
-
Країна-виробник товару
-
Кут відкривання завіси
-
МатеріалВуглецева сталь, Нержаві...
-
Матеріал корпусаВуглецева сталь, Нержаві...
-
Міжцентрова відстань992
-
Покриття
-
Тип відкривання завісиліва
-
Тип завісиПлоска
-
Артикул5194
-
Використання завіси
-
Колір
-
Країна-виробник товару
-
Кут відкривання завіси
-
Матеріал
-
Матеріал корпуса
-
Міжцентрова відстань
-
Покриття
-
Тип відкривання завіси
-
Тип завісиПлоска
-
Артикул5198
-
Використання завіси
-
Колір
-
Країна-виробник товару
-
Кут відкривання завіси
-
Матеріал
-
Матеріал корпуса
-
Міжцентрова відстань
-
Покриття
-
Тип відкривання завіси
-
Тип завісиПлоска
Плоска петля «Essentra - Mesan» №799 V1, V2, V3 (Покриття: Цинк, Версія: V2)
-
Артикул6420
-
Використання завіси
-
КолірЦинк
-
Країна-виробник товару
-
Кут відкривання завіси
-
Матеріал
-
Матеріал корпуса
-
Міжцентрова відстань
-
ПокриттяЦинк
-
Тип відкривання завіси
-
Тип завісиПлоска
Плоска петля «Essentra - Mesan» №799 V1, V2, V3 (Покриття: Цинк, Версія: V1)
-
Артикул6418
-
Використання завіси
-
КолірЦинк
-
Країна-виробник товару
-
Кут відкривання завіси
-
Матеріал
-
Матеріал корпуса
-
Міжцентрова відстань
-
ПокриттяЦинк
-
Тип відкривання завіси
-
Тип завісиПлоска
Петля плоска «Essentra – Mesan» № 100 (Матеріал: Zamak, Покриття: Чорне покриття, Висота: 25)
-
Артикул9692
-
Використання завіси
-
КолірЧорний
-
Країна-виробник товару
-
Кут відкривання завіси
-
МатеріалZamak
-
Матеріал корпусаZamak DIN-EN 1774-ZnAl4C...
-
Міжцентрова відстань25
-
ПокриттяЧорне покриття
-
Тип відкривання завіси
-
Тип завісиПлоска
Петля плоска «Essentra – Mesan» № 100 (Матеріал: Zamak, Покриття: Чорне покриття, Висота: 02)
-
Артикул9684
-
Використання завіси
-
КолірЧорний
-
Країна-виробник товару
-
Кут відкривання завіси
-
МатеріалZamak
-
Матеріал корпусаZamak DIN-EN 1774-ZnAl4C...
-
Міжцентрова відстань02
-
ПокриттяЧорне покриття
-
Тип відкривання завіси
-
Тип завісиПлоска
Петля плоска «Essentra – Mesan» № 100 (Матеріал: Zamak, Покриття: Чорне покриття, Висота: 05)
-
Артикул9686
-
Використання завіси
-
КолірЧорний
-
Країна-виробник товару
-
Кут відкривання завіси
-
МатеріалZamak
-
Матеріал корпусаZamak DIN-EN 1774-ZnAl4C...
-
Міжцентрова відстань05
-
ПокриттяЧорне покриття
-
Тип відкривання завіси
-
Тип завісиПлоска
Петля плоска «Essentra – Mesan» № 100 (Матеріал: Zamak, Покриття: Чорне покриття, Висота: 07)
-
Артикул9687
-
Використання завіси
-
КолірЧорний
-
Країна-виробник товару
-
Кут відкривання завіси
-
МатеріалZamak
-
Матеріал корпусаZamak DIN-EN 1774-ZnAl4C...
-
Міжцентрова відстань07
-
ПокриттяЧорне покриття
-
Тип відкривання завіси
-
Тип завісиПлоска




