Замок під трикутник компресійний RZ L32-7.3.A.SS-10045 Металік
- Код DE-00063510
- Бренд RZ
Специфікація
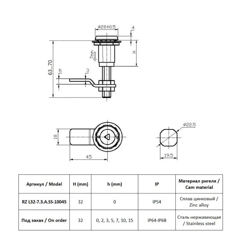
- Артикул RZ L32-7.3.A.SS-10045
- Загальна висота корпусу 63,7 мм
- Загальна ширина корпусу 22,5 мм
- Загальна висота з планкою 63,7 мм
- Ширина планки 28 мм
- Довжина язичка / ригеля 45 мм
- Габарити лицьової частини замка 28 мм
- Діаметр монтажного отвору під корпус замка 22,5 мм
- Ширина прорізу під язичок / під С-подібний виступ 18 мм
- Довжина важеля / штанги 45 мм
- Розмір монтажного майданчика 19,5х19,5 мм
- Робоча висота вузла / монтажна висота 63,7 мм
- Ригель Прямий
- Тип встановлення Врізний
- Матеріал корпуса Нержавіюча сталь
- Колір Металік
- Тип використання замка Для обладнання
- Механізм закриття Ригельний
- Висота, мм 32
- Ступінь захисту IP54
- Матеріал вставки Нержавіюча сталь
- Вставка Трикутник
- Країна-виробник товару Китай
Для цього товару ще не було залишено жодного відгуку.
Якщо Ви бажаєте залишити відгук, авторизуйтеся, будь ласка, на сайті
АвторизуватисяОсновне про модель Замок під трикутник компресійний RZ Металік
Замок під трикутник компресійний RZ Металік — це міцний технічний замок типу «чверть оберту» з функцією притиску дверцят. Його застосовують у шафах автоматики, електрощитах, корпусах обладнання та промислових панелях, де важлива герметичність і стійкість до вібрацій. Корпус і вставка виготовлені з нержавіючої сталі 304, що забезпечує тривалий термін служби навіть у складних умовах експлуатації. Вставка має трикутну форму стандартного розміру (8 мм), а компресійний механізм створює додатковий прижим, який виключає люфт та проникнення вологи всередину корпусу.
Для чого використовується
Модель призначена для встановлення у промислові шафи керування, електрощити, системи кондиціювання, генератори, вентиляційні установки й технічні бокси. Замок забезпечує надійне ущільнення дверцят, що особливо важливо при роботі обладнання у вібраційних або запилених середовищах. Використовується також у транспортних корпусах і виробничих системах.
Головні переваги
- Компресійна конструкція — створює щільний прижим і підвищує герметичність корпусу.
- Антивібраційний ефект — запобігає самовідкриванню дверцят при русі або вібрації.
- Нержавіюча сталь 304 — стійкість до корозії, температурних коливань і зносу.
- Трикутна вставка 8 мм — стандартний формат для технічних ключів обслуговування.
- Поворот на 90° — просте й швидке замикання без додаткових інструментів.
Сумісність із іншими комплектуючими
Підходить для металевих, алюмінієвих та пластикових дверцят товщиною до 3 мм. Може використовуватися з ущільнювачами, ручками, петлями, декоративними накладками або запірними планками. Рекомендований для фурнітури технічних шаф і корпусів електрообладнання.
Поради з монтажу або вибору
Перед монтажем перевірте розмір посадкового отвору (приблизно 19,5×22,5 мм) і товщину панелі. Замок встановлюється з внутрішнього боку корпусу за допомогою фіксувальної гайки. Не перетягуйте гайку, щоб уникнути деформації ущільнювача. Для стабільної роботи рекомендується періодично очищати механізм та змащувати рухомі частини.
Порівняльна таблиця
| Модель | Основна характеристика | Особливість |
|---|---|---|
| RZ компресійний трикутник Металік | Нержавіюча сталь, трикутна вставка 8 мм | Підвищена герметичність корпусу |
| RZ антивібраційний квадрат Металік | Квадратна вставка 6 мм | Захист від люфту при вібрації |
| RZ стандартний Хром | Звичайний корпус без компресії | Для стандартних умов |
Короткий висновок
Замок під трикутник компресійний RZ Металік — практичне рішення для технічних корпусів і щитів, що поєднує герметичність, захист від вібрацій і тривалий термін служби завдяки нержавіючій сталі.

