Замок для электрощитового оборудования RZ L182.1.A-10445 Черный
- Код DE-00058852
- Бренд RZ
Спецификация
- Артикул RZ L182.1.A-10445
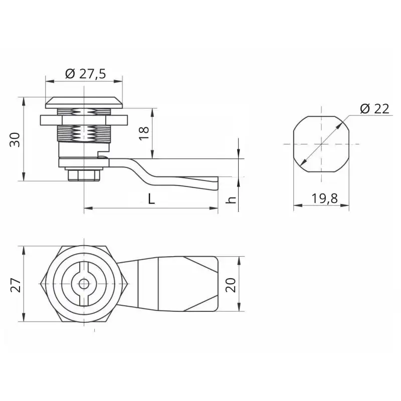
- Общая высота корпуса 30 мм
- Общая ширина корпуса 27 мм
- Толщина корпуса 18 мм
- Ширина планки 20 мм
- Длина резьбового стержня/глубина монтажной части 19 мм
- Габариты лицевой части замка 27х27 мм
- Диаметр монтажного отверстия под корпус замка 22 мм
- Диаметр трубы, мм 22
- Размер монтажной площадки 27х27 мм
- Рабочая высота узла/монтажная высота 18 мм
- Тип установки замка Врезной
- Цвет Черный
- Тип использования замка Для электрощитового оборудования
- Механизм закрытия Ригельный
- Материал Пластик
- Страна-производитель товара Китай
Для этого товара еще не было оставлено ни одного отзыва.
Если Вы хотите оставить отзыв, авторизуйтесь, пожалуйста, на сайте
АвторизоватьсяОсновное о модели
Замок для электрощитового оборудования RZ L182.1.A-10445 Черный — это поворотно-прижимной замок, который предназначен для надежного закрытия дверец металлических шкафов, электрических щитов, панелей управления и корпусов автоматики. Корпус выполнен из стеклонаполненного полиамида черного цвета, что сочетает легкость, прочность и стойкость к коррозии. Ригель из оцинкованной стали имеет длину около 46 мм и изгиб 4 мм, что обеспечивает плотное прилегание дверей. Посадочное отверстие — 20×22 мм, высота резьбы корпуса составляет около 18 мм. Класс защиты IP54–IP64 позволяет эксплуатировать замок в помещениях с повышенной влажностью или запыленностью.
Для чего используется
Модель RZ L182.1.A-10445 применяется для электрощитов, распределительных шкафов, корпусов автоматики и телекоммуникационных боксов. Замок обеспечивает надежную фиксацию дверец без люфта, предотвращает самопроизвольное открывание при вибрациях и подходит для металлических дверей толщиной 1–3 мм. Оптимальное решение для промышленных и бытовых технических шкафов.
Главные преимущества
- Полиамидный корпус — легкий, прочный, не подверженный коррозии и химическому воздействию.
- Ригель длиной 46 мм с изгибом 4 мм гарантирует плотное закрытие дверей.
- Степень защиты IP54–IP64 — надежность во влажных и запыленных условиях.
- Вставка типа «бабочка» — удобная в использовании, подходит для стандартного ключа.
- Легкий монтаж в стандартное отверстие 20×22 мм без дополнительной обработки.
Совместимость с другими комплектующими
Подходит для стандартных промышленных и электрических шкафов, панелей автоматики, корпусов управления. Совместим с типовыми петлями, уплотнителями, направляющими и другой фурнитурой. Для дверей со смещенным прижимом можно использовать модификации с большим изгибом ригеля (8 мм).
Советы по монтажу или выбору
Перед установкой проверьте соответствие отверстия 20×22 мм. Замок фиксируется изнутри гайкой, без сложного инструмента. Ригель должен быть отрегулирован так, чтобы дверцы прижимались плотно, но без избыточного давления. Для влажных помещений рекомендуется дополнительное уплотнение. При эксплуатации периодически проверяйте фиксацию гайки — это предотвратит ослабление от вибраций.
Сравнительная таблица
| Модель | Основная характеристика | Особенность |
|---|---|---|
| RZ L182.1.A-10445 | Полиамид, ригель 46 мм, изгиб 4 мм | Стандартная версия для электрощитов |
| RZ L182.1.A-10845 | Полиамид, ригель 46 мм, изгиб 8 мм | Для дверей со смещенным прижимом |
| RZ L181.А.1-10045 | Цинковый сплав, прямой ригель, IP65 | Металлический вариант с повышенной защитой |
Краткий вывод
Замок RZ L182.1.A-10445 Черный — практичное решение для технических и электрических шкафов. Сочетает легкость, прочность и простой монтаж, обеспечивая надежность в любых условиях эксплуатации.



