Под заказ

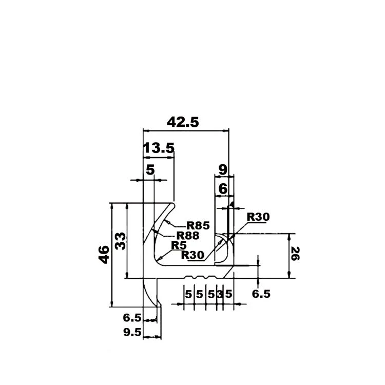
Уплотнитель двери фургона RZ-22130 Черный

  • Код DE-00063493
  • Бренд RZ
Цена товара за 1 шт 300.13 ₴
шт
Спецификация
  • Артикул RZ-22130
  • Материал EPDM
  • Цвет Чёрный
Техническое описание

Гибкий уплотнитель для ворот фургона резиновый RZ  относится к уплотнителям для фургонов и грузовых автомобилей.

Применение уплотнителя для грузового авто: двери и ворота фургонов, полуприцепов, прицепов, контейнеров, грузовиков, фур, рефрижераторов и других транспортных средств.

Преимущества уплотнителя для полуприцепа: 

  • повышенный срок службы и усиленная прочность, за счет использования двухкомпонентного материала;
  • обеспечение герметичности;
  • поддержание необходимой температуры внутри корпуса
Отзывы
0

    Для этого товара еще не было оставлено ни одного отзыва.

    Если Вы хотите оставить отзыв, авторизуйтесь, пожалуйста, на сайте

    Авторизоваться

Добавлено в корзину

Жодного товару не додано до кошику
  • Общая сумма ( 0 позиций ) 0.00 ₴